案例展示
您好,欢迎访问CZSQI电子设备制造网
加入收藏
网站首页
关于我们
产品中心
销售系列
安装系列
维修系列
新闻动态
案例展示
技术前沿
您的位置:
首页
>
案例展示
.
案例展示
推荐产品
铠侠敲定发行价每股1455日元,市值将达到7800亿日元
2026-03-27
Intel新一代B系游戏显卡发布,还带AI帧生成...
2026-03-26
德国大众汽车关厂裁员并减薪,12万名工人罢工行动爆发
2026-03-26
传海信集团大裁员三万,比例高达20-30%
2026-03-26
哪吒汽车张勇卸任CEO,董事长方运舟兼任
2026-03-26
OpenAI正在考虑取消与微软的AGI限制条款
2026-03-26
传英特尔 18A 晶圆代工良率仅为 10%
2026-03-26
三星电子成功开发400层NAND技术,或实现提前量产
2026-03-26
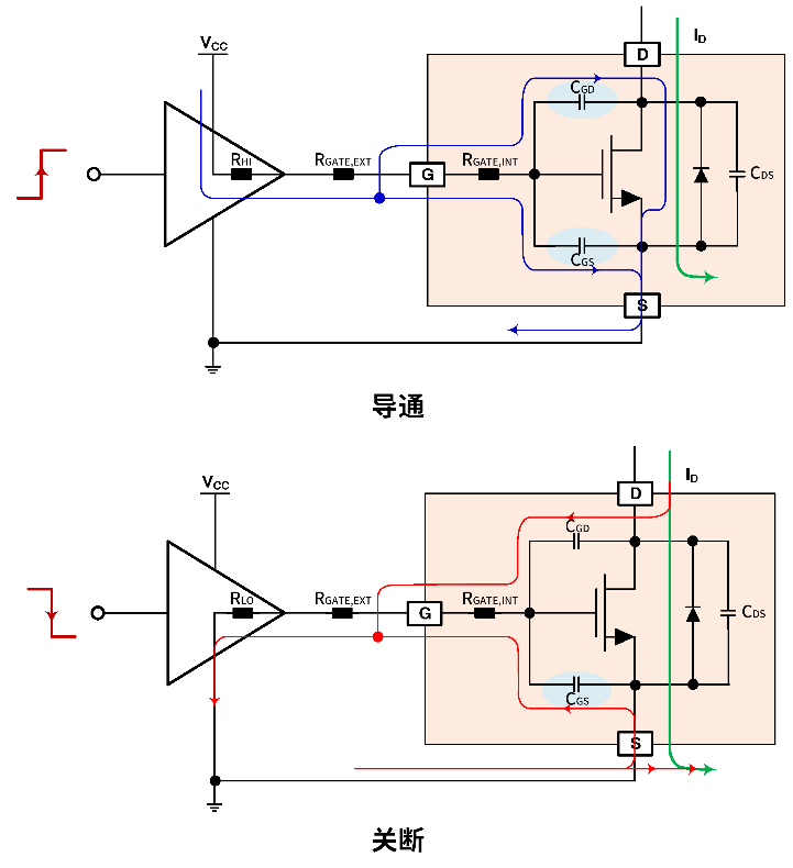
通过优化栅极驱动器充分提高SiC MOSFET性能
2026-03-26
首页
上一页
10
11
12
13
14
下一页
末页
推荐资讯
©2026 CZSQI电子设备制造网 版权所有 备案号:
网站地图