硅基MOSFET和IGBT过去一直在电力电子应用行业占据主导地位,这些应用包括不间断电源(UPS)、工业电机驱动、泵以及电动汽车(EV)等。然而,市场对更小型化产品的需求,以及设计人员所面临的提高电源能效的压力,使得碳化硅(SiC)MOSFET成为这些应用中受欢迎的替代品。
与硅基MOSFET一样,SiC MOSFET的工作特性和性能也依赖于栅极驱动电路的设计,该电路负责开启和关闭器件。然而,SiC的特定特性要求对MOSFET器件和栅极驱动电路进行仔细选择,以确保安全地满足应用需求,并尽可能提高效率。在本文中,我们将讨论为SiC MOSFET选择栅极驱动器时应考虑的标准。
电力电子设计中的效率
电力电子系统可处理高达数十兆瓦的大量电能,在当今市场上,电力电子应用设计越来越受到效率需求以及法规要求的推动。电流密度和效率是实现市场所需的更小外形尺寸的关键因素。更高的效率可降低功耗,从而减少对印刷电路板(PCB)和外壳冷却解决方案的需求。
随着排放法规的日益严格,效率问题也受到了越来越多的关注。例如,MOSFET是电力驱动系统(PDS)的关键器件,这些系统驱动着电机的运转。据欧盟委员会估计,仅在欧洲就有约80亿台电机在使用,其消耗的电能几乎占该地区电能的一半。因此,毋庸置疑,这些设备的电气效率会受到越来越严格的监管要求。
SiC MOSFET只要使用得当,就能在功率密度和效率方面提供显著优势。更紧凑的SiC器件具有更高的开关频率,可以减小整体系统尺寸,在电动汽车等对空间和重量敏感的应用中具有明显优势。不过,为了实现SiC MOSFET的潜在优势,必须通过精心选择合适的栅极驱动器,使器件适合应用的具体要求。
SiC MOSFET特性
系统尺寸和电气效率是许多现代电力电子系统的关键要求,而SiC已成为一种流行的半导体技术。作为一种宽禁带材料,SiC与硅相比具有众多优势,包括高热导率、低热膨胀系数、高最大电流密度和卓越的导电性。此外,SiC的低开关损耗和高工作频率也提高了效率,特别是在需要大电流、高温和高热导率的应用中。
SiC器件的电压阈值高达10kV(而硅器件的电压阈值仅为900V),临界击穿场强也更高,因此可以用厚度更薄的SiC器件支持更高的额定电压。
如果实施得当,SiC器件能为设计人员带来效率和开关频率方面的重要优势,而且更紧凑的SiC器件还能减小整个系统的尺寸。这些优势对于电动汽车、轨道交通或能源基础设施等对空间和重量敏感的应用极为有用。随着SiC技术不断进步,可承受的电压也越来越高,器件的额定电压可达1700V及以上,它相对于传统硅材料的优势将更加明显。
SiC MOSFET栅极驱动器设计考虑因素
栅极驱动器的设计可确保电源应用中所使用的MOSFET安全运行。选择栅极驱动器时需要考虑的因素包括:
-
米勒电容(CDG)与寄生导通(PTO)
SiC MOSFET容易产生寄生导通(PTO),这是由于米勒电容CDG在开关过程中会将漏极电压耦合到栅极。当漏极电压上升时,该耦合电压可能会短暂超过栅极阈值电压,使MOSFET导通。在同步降压转换器等电路中,MOSFET通常成对使用,其中有一个上侧MOSFET和一个下侧MOSFET,而PTO会导致这些电路中的“直通”(shoot-through)导通。当上下两个MOSFET同时导通时,就会发生直通导通,导致高压通过两个MOSFET短路到GND。这种直通的严重程度取决于MOSFET的工作条件和栅极电路的设计,关键因素包括总线电压、开关速度(dv/dt)和漏源电阻(RDS(ON))。在最坏的情况下,PTO会引发灾难性的后果,包括短路和MOSFET损坏。
与PCB布局和封装有关的寄生电容和电感也会加剧PTO。如下文所述,可以通过对器件的关断电压进行负偏置来避免这种情况。
-
栅极驱动器电压范围
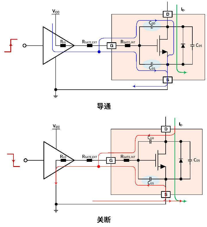
MOSFET的导通和关断是通过向其栅极施加电压实现的,电压由专用的栅极驱动器提供,如图1所示。栅极驱动器负责提供拉电流,使MOSFET的栅极充电至最终导通电压VGS(ON),并在器件放电至最终关断电压VGS(OFF)时提供灌电流。

图1:栅极驱动器在MOSFET开/关操作中的驱动方式和电流路径。MOSFET模型包括寄生电容,如CGD和CGS,它们必被充电和放电。
栅极驱动的正电压应足够高,以确保MOSFET能够完全导通,同时又不超过最大栅极电压。在使用SiC MOSFET时,必须考虑到它们通常需要比硅MOSFET更高的栅极电压。同样,虽然0V的电压足以确保硅MOSFET关断,但通常建议SiC器件采用负偏置电压,以消除寄生导通的风险。在关断过程中,允许电压向下摆动到-3V甚至-5V,这样就有了一定的裕量或裕度,可以避免在某些情况下触发VGS(TH),导致意外导通器件。
以这种方式负偏置栅极电压还能降低MOSFET的EOFF损耗。如图2所示,在驱动安森美的第2代“EliteSiC M3S”系列SiC MOSFET时,将关断电压从0V降到-3V,可将EOFF损耗降低25%。

图2:负栅极偏置。(来源:AND90204/D)
-
RDS(ON)和总栅极电荷QG(TOT)
RDS(ON)是指当MOSFET的栅极施加特定的栅源电压(VGS),使器件进入导通状态时,其漏极和源极之间的电阻。随着VGS的增加,RDS(ON)通常会减小,一般来说,RDS(ON)越小越好,因为MOSFET被用作开关。总栅极电荷QG(TOT)是使MOSFET完全导通所需的电荷,单位为库仑,通常与RDS(ON)成反比。QG(TOT)电荷由栅极驱动器提供,因此驱动器必须能够提供所需的拉灌电流。
优化功率损耗
要利用SiC MOSFET降低开关损耗,设计人员需要注意权衡考虑多方面因素。SiC MOSFET的总功率损耗是其导通损耗和开关损耗之和。导通损耗的计算公式为ID2*RDS(ON),其中ID为漏极电流,选择RDS(ON)较低的器件可将导通损耗降至最低。然而,由于上述QG(TOT)与RDS(ON)之间的反比关系,较低的RDS(ON)值要求栅极驱动器具有较高的拉电流和灌电流。换句话说,当设计人员选择RDS(ON)值较低的SiC MOSFET来减少大功率应用中的导通损耗时,栅极驱动器的拉(导通)电流和灌(关断)电流要求也会相应增加。
SiC MOSFET的开关损耗更为复杂,因为它们受到QG(TOT)、反向恢复电荷(QRR)、输入电容(CISS)、栅极电阻(RG)、EON损耗和EOFF损耗等器件参数的影响。开关损耗可以通过提高栅极电流的开关速度来降低,但与此同时,较快的开关速度可能会带来不必要的电磁干扰(EMI),特别是在半桥拓扑结构中,在预期的开关关断时还可能触发PTO。如上所述,还可以通过负偏置栅极电压来降低开关损耗。
栅极驱动器示例——安森美NCP(V)51752
因此,栅极驱动器的设计对于确保电力电子应用中的SiC MOSFET按预期工作至关重要。幸运的是,市场上有大量由安森美等制造商提供的专用栅极驱动IC,这些IC让设计者无需把精力放在驱动电路设计的细节中,同时节省了物料清单(BoM)成本和PCB空间。
例如,NCP(V)51752系列隔离式SiC栅极驱动器专为功率MOSFET和SiC MOSFET器件的快速开关而设计,拉电流和灌电流分别为4.5A和9A。NCP(V)51752系列包括创新的嵌入式负偏压轨机制,无需系统为驱动器提供负偏压轨,从而节省了设计工作和系统成本。
结论
SiC MOSFET具有增强的导电性、低开关损耗、高工作频率和高耐压能力,为快速电池充电器和伺服驱动器等电力电子应用的设计人员带来了众多优势。栅极驱动器电路的设计是确保SiC MOSFET发挥预期功能、优化损耗并防止PTO情况造成损坏的关键。因此,谨慎选择MOSFET和栅极驱动器对最终应用的性能至关重要。
(本文为安森美公司投稿,原文参考链接:Maximize SiC MOSFET Performance with Optimized Gate Drivers,由Franklin Zhao编译。)
本文为《电子工程专辑》2024年12月刊杂志文章,版权所有,禁止转载。免费杂志订阅申请点击这里。

